大人の電子工作 <<
ダイソーのスプリングクランプでケルビンクリップを自作
これがダイソーの「スプリングクランプ」


本来は、工作時などでの仮止めや仮押さえに使うスプリングクランプ(クリップ)。
今回、それを電子計測用の便利グッズであるケルビンクリップに変身させるのです。
ケルビンクリップって何か?を説明するには、その前に四端子法と言うのを説明する必要があるのです。
四端子法とは何か?
二端子法や四端子法って何?については下記に単独ネタとしてまとめましたのでご覧ください。
ケルビンクリップとは何か
四端子法で測定するには、試料(測定対象デバイス)に4本の測定線(プローブ)を接続する必要があります。ケルビンクリップとは、その4本必要な接続を2本の接続で行えるように工夫された四端子測定用のプローブ(クリップ)です。
もう少し詳しく述べると。
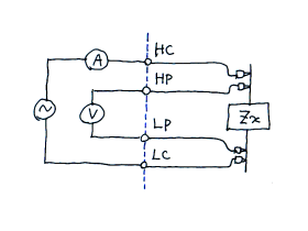
四端子法は、こんな感じの接続です。


プローブ(クリップ)を4本も接続するのは面倒ですし、チップ部品等のリード線がない部品や小さな部品には接続困難です。
下図のようにHcとHp、LcとLpをそれぞれ予め結合しておくと、2本のプローブ(クリップ)でいいようにも思えるのですが、それでは、HcとHpおよびLcとLpとの共有インピーダンスが生じ、また接触抵抗の影響を受けてしまい、結局は四端子法とは言えないものにたってしまいます。

やはり、HcとHp、LcとLpは、それぞれ最後の最後まで独立しておく必要があるのです。
そこで、ケルビンクリップなるものが必要になるのです。
ケルビンクリップの構造
市販のケルビンクリップ例
市販のケルビンクリップはこんな感じ。

上図元情報:株式会社エヌエフ回路設計ブロック
今回作製するケルビンクリップ

こんな感じです。
ポイントはHc電極とHp電極とが完全に絶縁されていることです。(もちろんLc、Lpについても同様)
よって、下図のように、試料(測定対象デバイスのリード線)を挟みこんで、その箇所でのみHcとHpが出会う(接続する)のです。

このようにケルビンクリップを用いることにより、4本の接続が必要な四端子法計測を2本のプローブ(クリップ)で便利に手軽に行えるようになるのです。
ダイソーのスプリングクランプでケルビンクリップを手作りする
この便利なケルビンクリップ、もちろん計測器メーカーから各種市販されていますが、どれも数万円程度の価格がしてしまいます。専門ツールなので仕方ないのかもしれませんが、やはり、クリップごときに数万円というのは考えてしまいます。で、先日、近所のダイソーをウロウロしていましたら、素晴らしいグッズを発見してしまいました。それが「スプリングクランプ」という仮止め仮押さえ用のクリップです。これは、正にケルビンクリップに改造するために世の中に生まれてきたとしか思えない形態と雰囲気です。さっそく購入して、ケルビンクリップの作製です。
これが、そのダイソーのスプリングクランプ(Spring Clamp)。2個セットで税込105円。


作製(改造)開始
先端のオレンジ色のゴム材を取り外し、電極となる接着ざいで接着する。


電線(シールド線)を固定するために結束バンド(インシュロック)を用いるので、そのためのクボミを入れておく。
またシールド線のシールドがはみ出ないように熱収縮チューブで処理しておく。
そして、電極に中心線(信号線)をハンダ付けし、結束バンドでシールド線をクリップに固定する。




あと、ケーブル(シールド線)の端(測定器側)に必要に応じてターミナル(BNC端子など)を接続すれば完成。

こんな感じに完成。
補足
シールド線のガード(シールド)は測定器側(BNCコネクタ)にてGNDに接続する。クリップ側のガード(シールド)は未接続でよい。また、今回は10MHz程度までのインピーダンス測定を目的としたためシールド線を用いたが、DC抵抗値測定用ならシールド線は特に必要ないです。
追記
市販のケルビンクリップの多くは金属製で中央の支点で絶縁されているタイプが多いです。DC抵抗値測定用ならそれで全然いいのですが、数MHz程度のインピーダンス測定を目的とした場合は、電極部分(金属部分)が極力小さな今回作製したタイプ(ボディーはプラスチックで電極はクリップ先端のみ)の方がノイズや浮遊容量等の影響を考えた場合有利のように思います。
これを使ってインピーダンスを測定してみました
凄まじいケルビンさん
このケルビンクリップの考案者ケルビンさんって、実は、あの絶対温度の単位(K)のケルビンさんと同じケルビンさんであり、また、ケルビン (Kelvin)というのは通称(称号)であり、本名は、ウィリアム・トムソン(William Thomson)といい、高校物理で必ず習うトムソンの法則のトムソンさんと同一人物であり、つまり、あの熱力学第二法則(エントロピー増大の法則)を考 え出した人でり、また更には電磁気学に初めてベクトルを導入した人でもあったり・・
つまり、電気計測の便利グッズの考案から宇宙を貫く物理学の根本法則まで・・
あまりにも凄まじいケルビンさんだったのでした。
投稿:2012/4/28
